Taispeántas LED ilfheidhmeach athsheachadáin ama 2x4 le haghaidh gléasta painéil/dorais
Theip ar infhaighteacht bailithe a lódáil
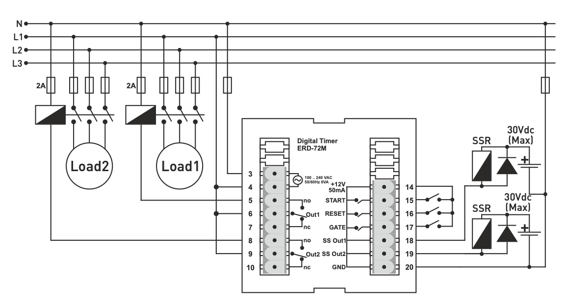
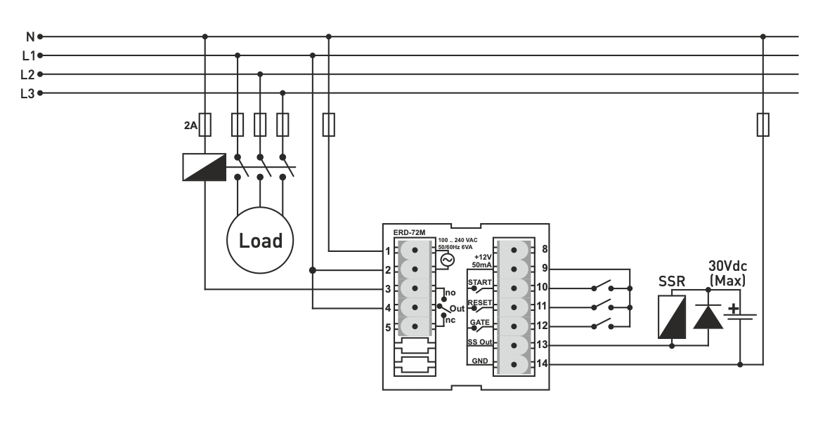
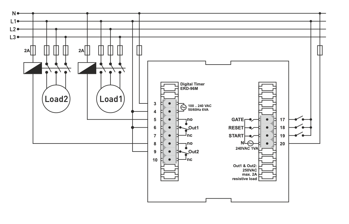
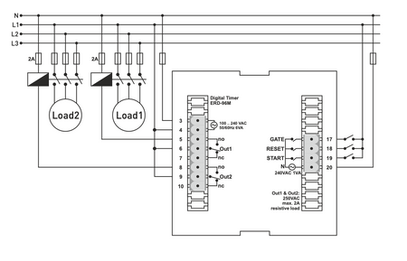
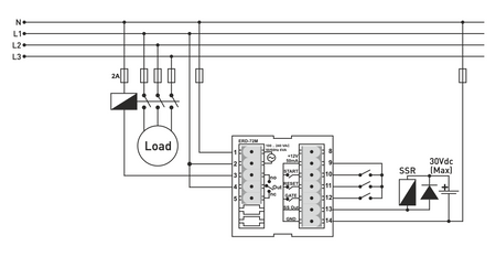
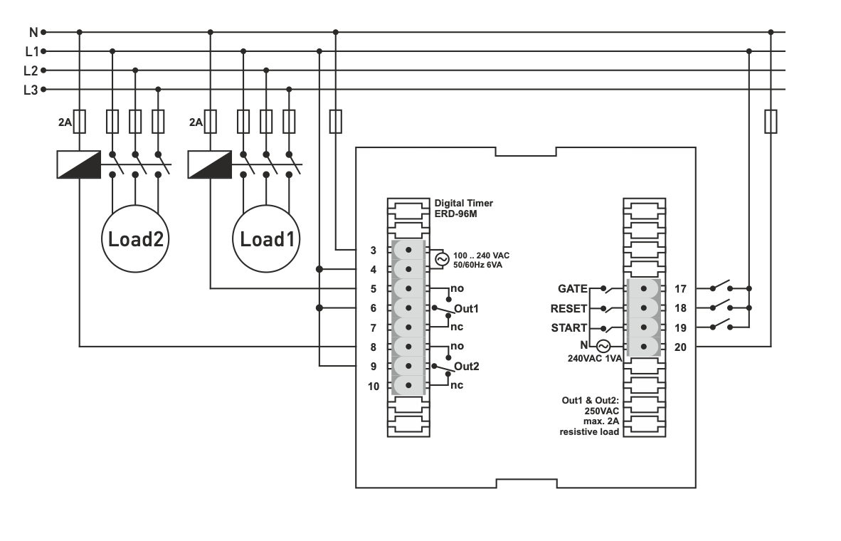
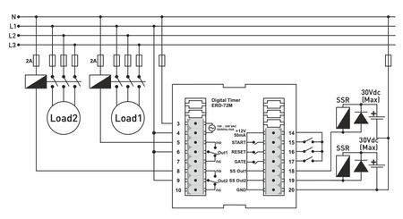
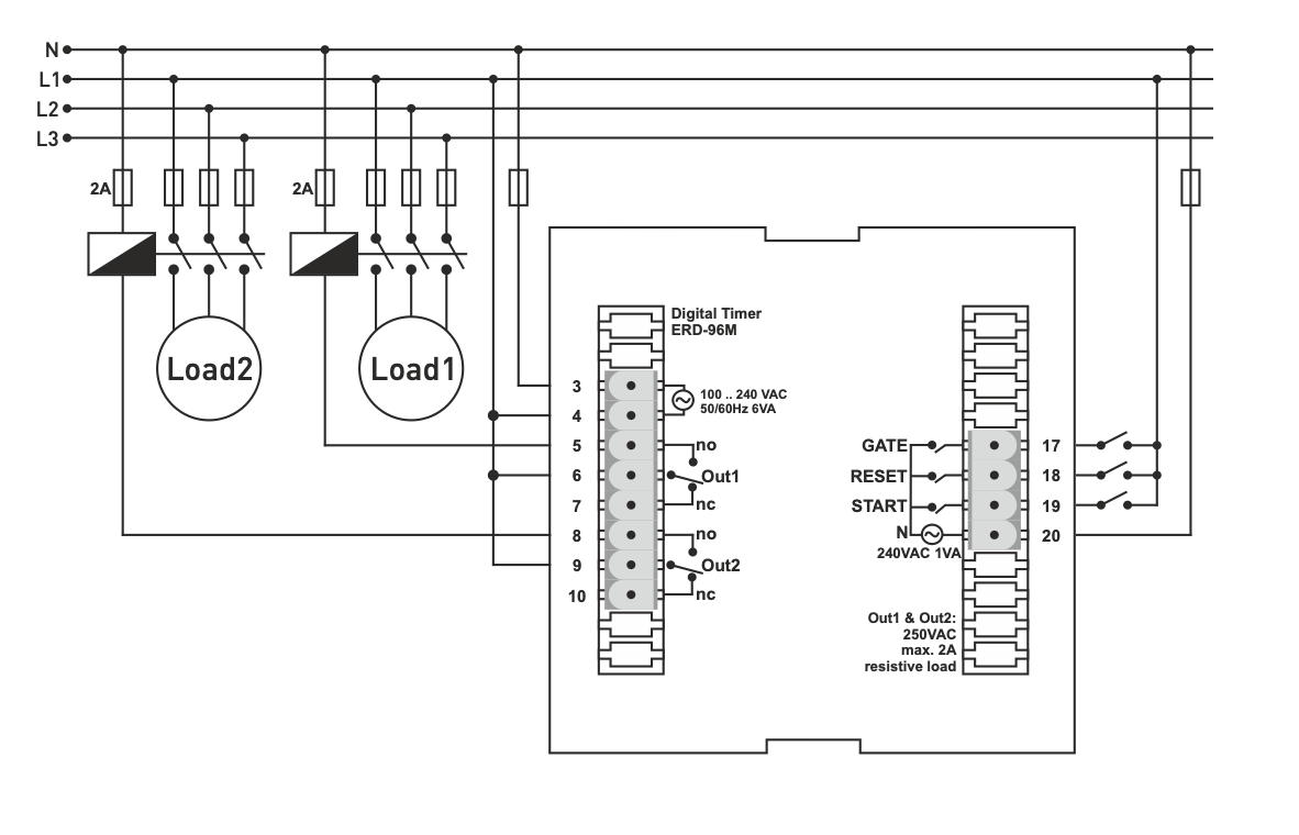
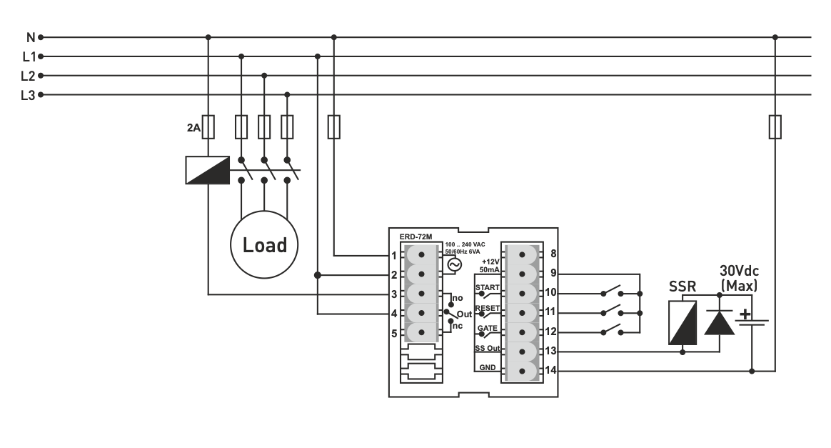
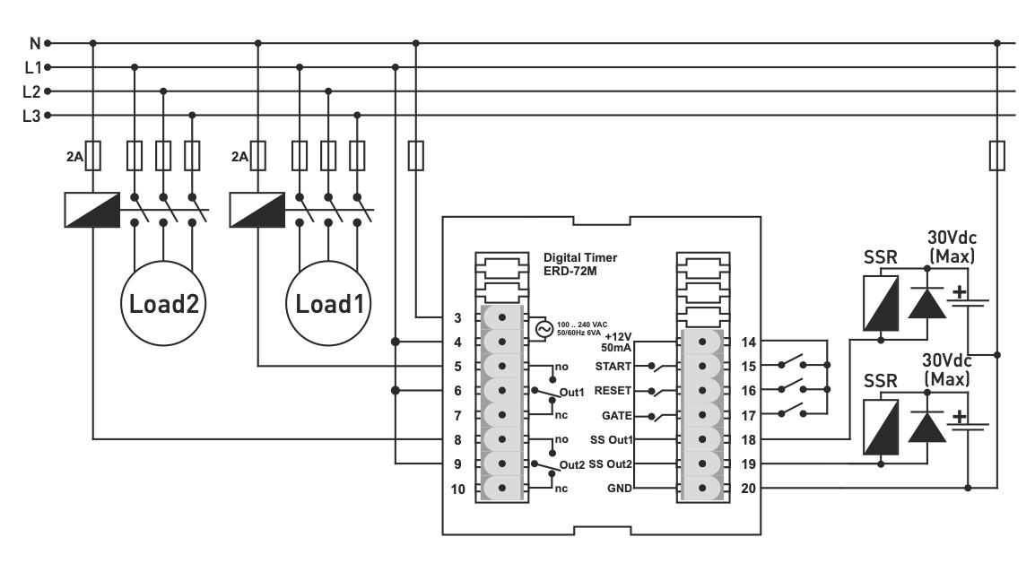
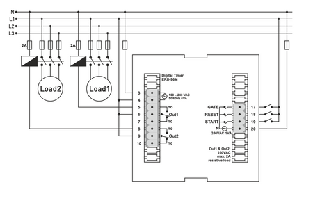
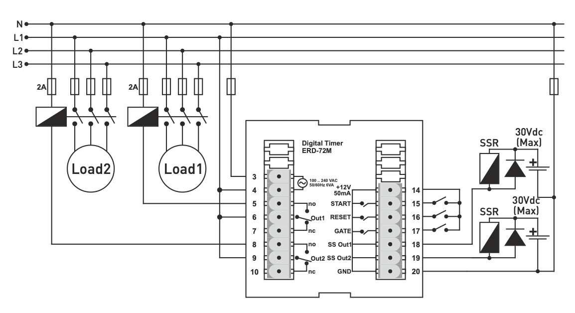
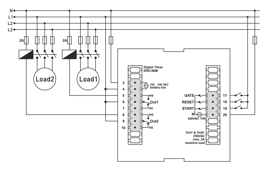
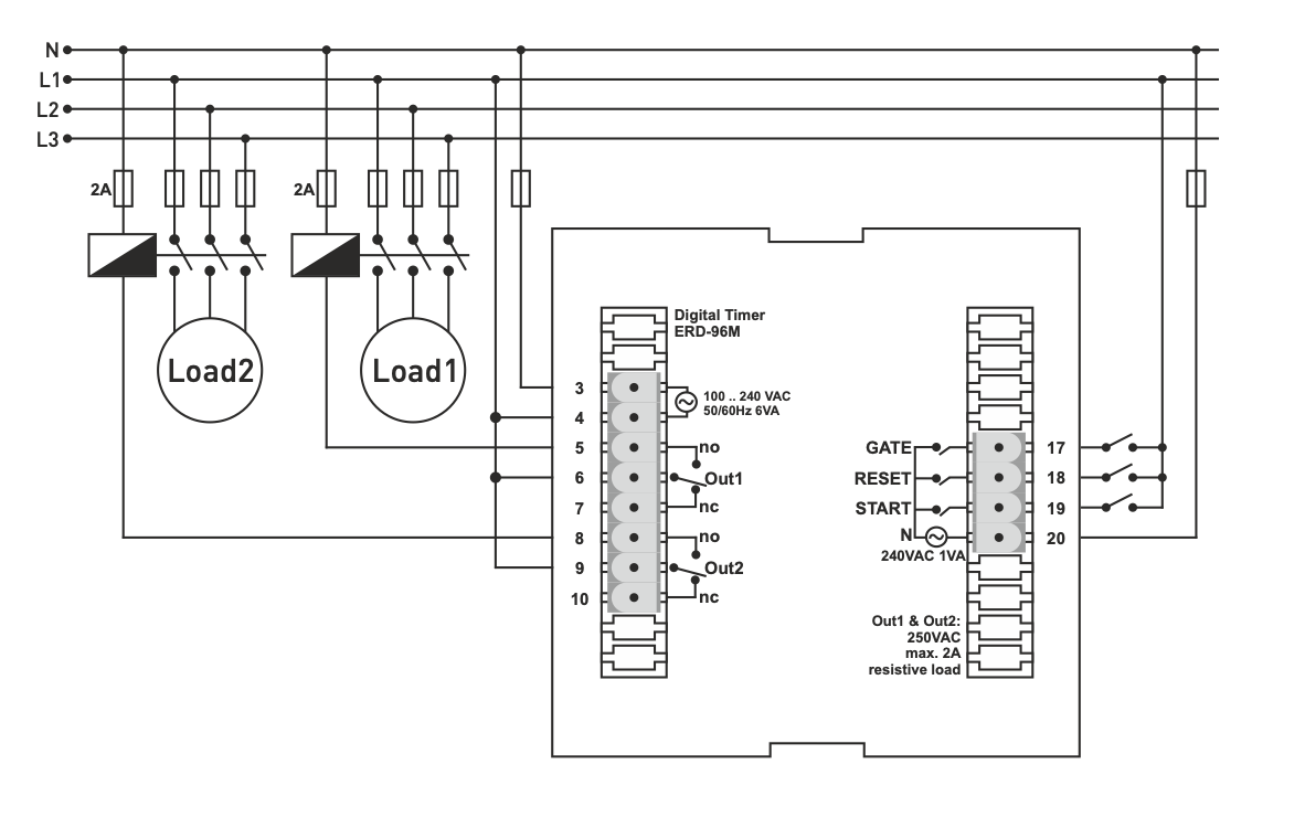
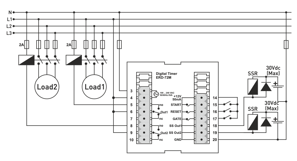
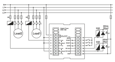
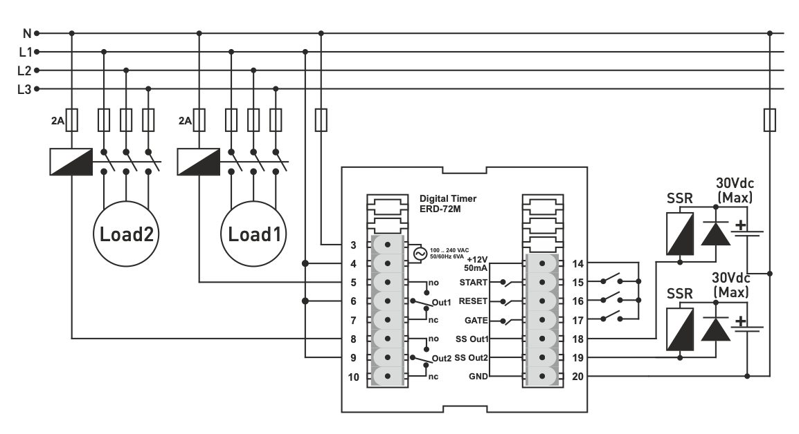
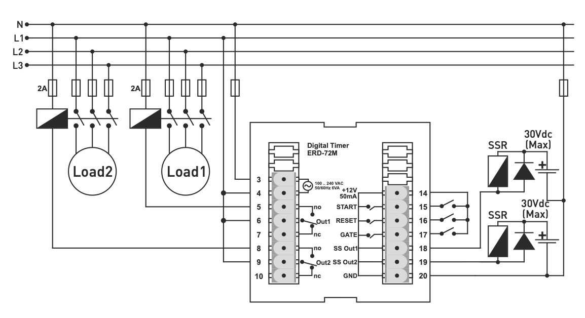
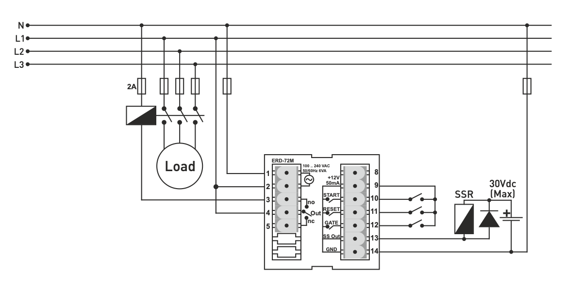
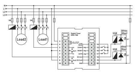
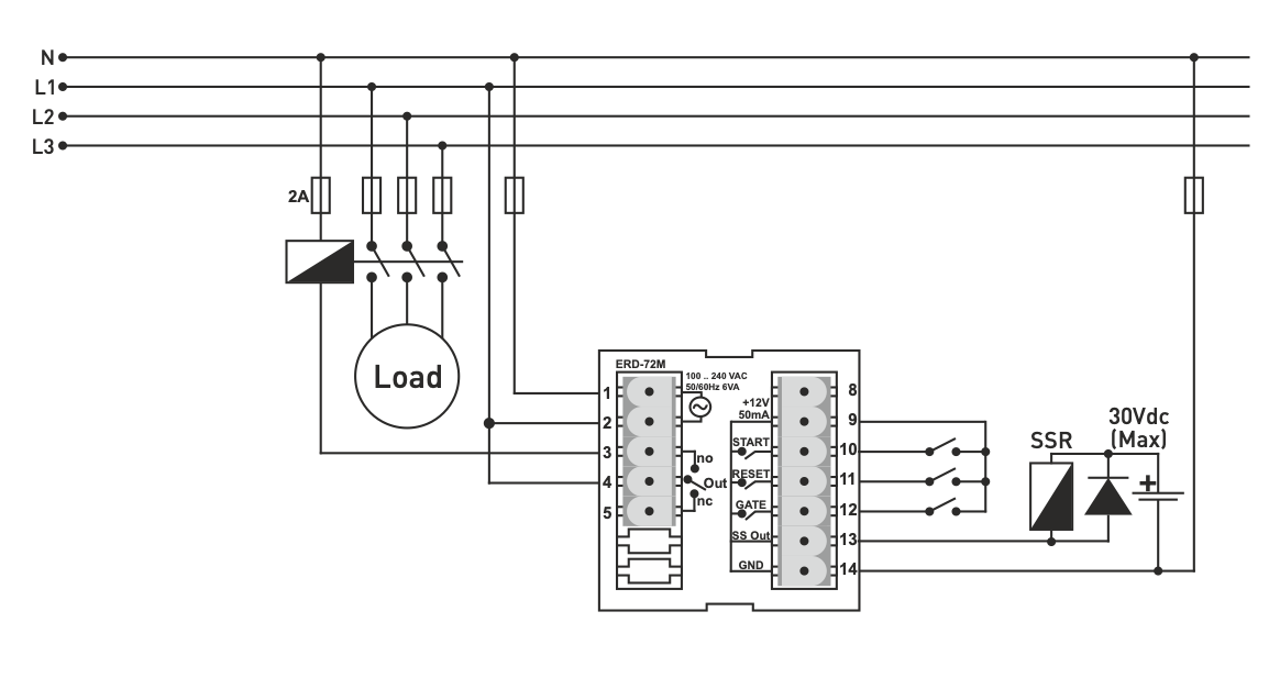
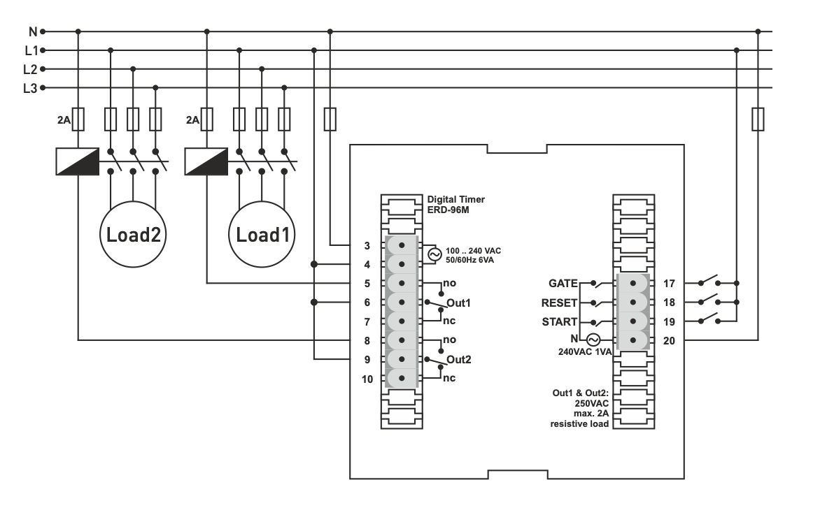
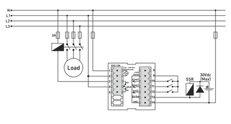
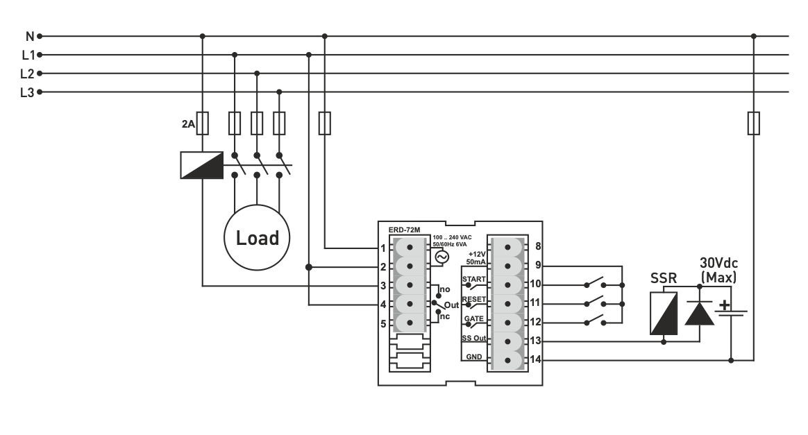
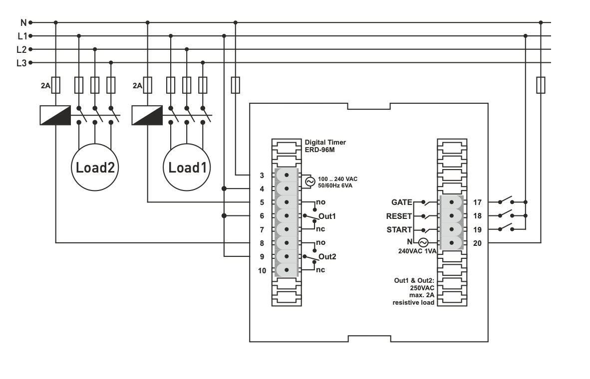
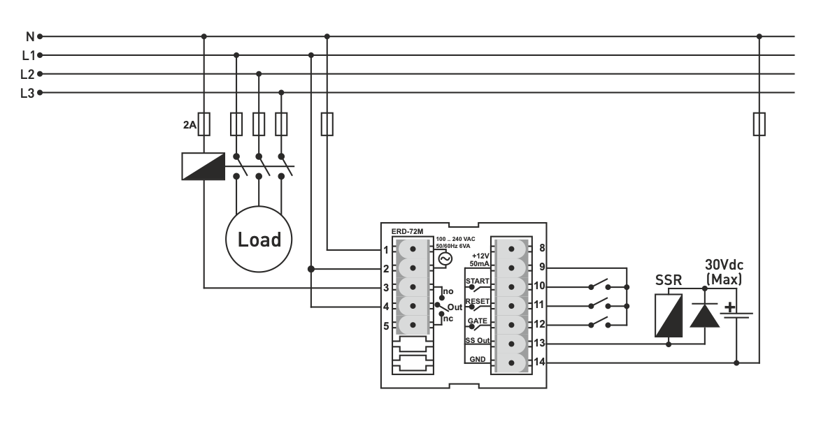
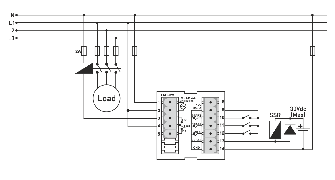
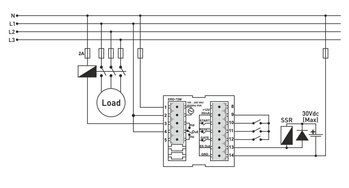
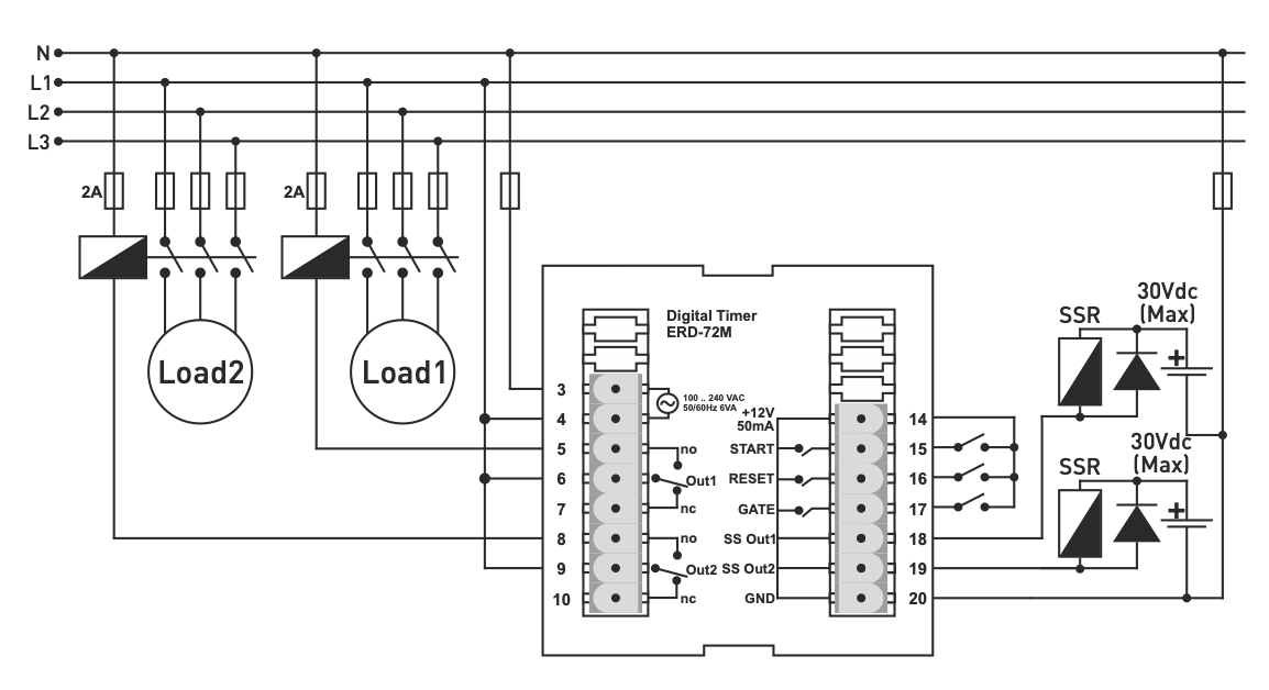
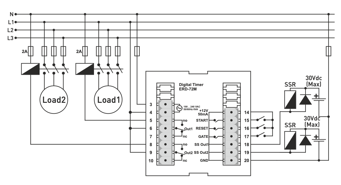
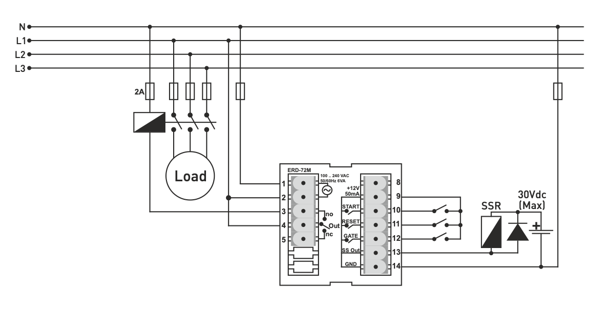
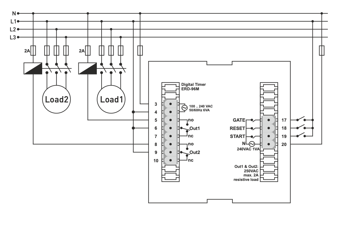
Taispeántas LED ilfheidhmeach athsheachadáin ama 2x4 le haghaidh gléasta ar phainéal/doras. TENSE ERD-96M, ERD-48M, ERD-72M
Athsheachadán ama le hocht bhfeidhm:
Mód 0: Moill Chuasaithe, AS le ATHSHOCRAÍ
Mód 1: Ag splancadh le TOSAIGH/ATHSHOCRAITHE
Mód 2: Urchar amháin tar éis AR agus AS
Mód 3: Moill Múchta
Mód 4: Moill Leanúna & AR
Mód 5: Moill ar Lámhaigh Amháin tar éis AS
Mód 6: Cróniméadar - Comhaireamh le TOSAITHE
Mód 7: Cróniméadar - Comhaireamh le TOSAIGH, Athshocraigh le ATHSHOCRAITH
Raon Socraithe Ama:
99:59 uair / 99:59 nóiméad / 599.9 soicind
Íocaíocht le cárta ar líne – tar éis duit an t-ordú a chríochnú, atreorófar chuig an ngeata íocaíochta thú, agus seolfar dearbhú d’íocaíochta chuig do r-phost.
Airgead tirim ar sheachadadh – déantar íocaíocht le cúiréir na cuideachta loingseoireachta ar sheachadadh, de réir na dtreoracha íocaíochta.
Aistriú bainc – gheobhaidh tú sonrasc pro forma trí ríomhphost tráth nach déanaí ná an lá gnó dár gcionn. Ar an sonrasc seo, gheobhaidh tú an uimhir chuntais, a chuirfidh tú isteach agus an íocaíocht á déanamh agat.
Ar an sonrasc – tá an rogha íocaíochta seo ar fáil do chomhpháirtithe a bhfuil comhaontú creatlaí sínithe acu lenár gcuideachta.
Más mian leat an dá mhodh íocaíochta dheireanacha a úsáid, glaoigh ar ár mbainisteoir agus tabharfaidh siad treoracha duit maidir le conas sonrasc le CBL nó gan CBL a fháil.
Comhlíonann na gléasanna leictreacha a sholáthraímid caighdeáin arda cáilíochta, tá barántas 24 mhí leo, agus comhlíonann siad gach ceanglas AE. I gcás gearán/aisíoca, ní ghearrtar aon táille as na hearraí a thabhairt ar ais.