Temperature controller for panel mounting ON - OFF with external sensor
Failed to load pickup availability
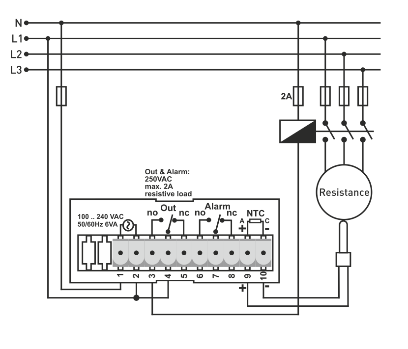
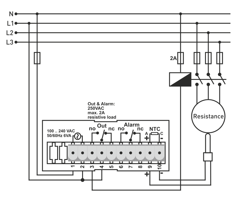
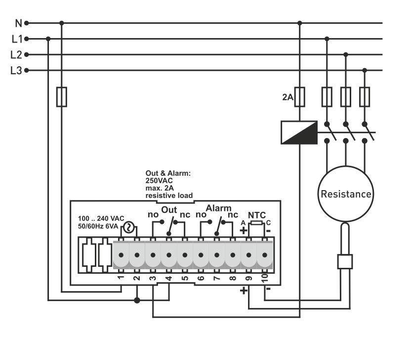
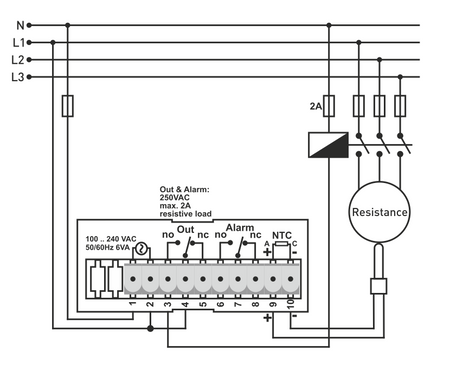
Thermostat / 2-point temperature controller for panel mounting ON-OFF control mode, measuring range -19.9 °C - +99.9 °C, resolution / step 0.1ºC (made in Turkey, TENSE) DT-322
Control and monitoring of thermal processes of heating, air conditioning and ventilation systems, building automation, industrial plants.
Sensor type: NTC
Relay outputs OUT and ALARM (NO+NC) 250VAC, 2A
Optional heating and cooling function
- Hysteresis
Adjustable ON/OFF timers for OUT output in case of sensor failure
- Protection against compression due to adjustable shutdown times
Upper and lower limits for SET and ALARM settings
Adjustable separate hysteresis for SET and ALARM settings
Power-on delay for OUT in cooling mode
EEPROM memory to store settings
Password protection
High precision
Online card payment – after completing the order you will be redirected to the payment gateway, and the confirmation of your payment will be sent to your email.
Cash on delivery – payment is made to the courier of the shipping company upon delivery, in accordance with the payment instructions.
Bank transfer – you will receive a pro forma invoice by email no later than the following business day. On this invoice, you will find the account number, which you will enter when making the payment.
On invoice – this payment option is available to partners who have a framework agreement signed with our company.
If you would like to use the last two payment methods, please call our manager and they will provide you with instructions on how to obtain an invoice with VAT or without VAT.
The electrical devices we supply meet high quality standards, include a 24‑month warranty, and comply with all EU requirements.In the case of a complaint/return, no fee is charged for returning the goods.