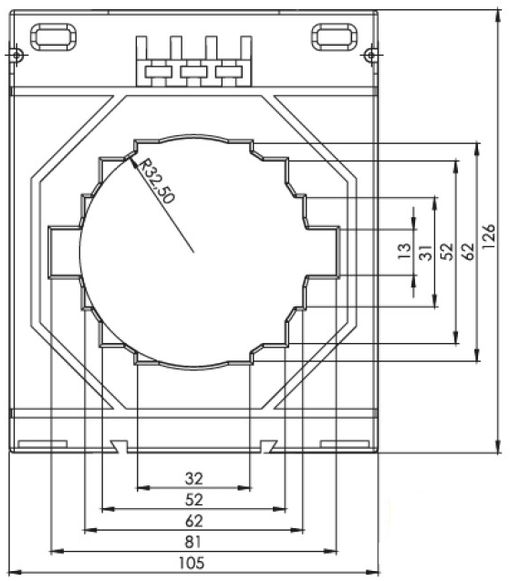
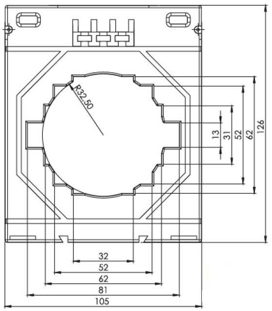
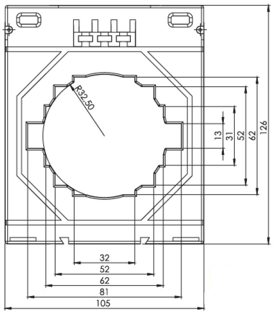
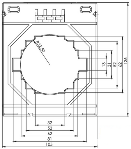
TK80 - Current measuring transformer 1500/5
Failed to load pickup availability
Slide-on measuring transformer for 1500 A primary rated currents, 5 A secondary current, 25 VA rated outputs, available in 0.5S accuracy class.
Slip-on current transformer for indirect measurement of sinusoidal AC currents.
Mounting of the transformer is either by means of mounting feet, which are included.
Online card payment – after completing the order you will be redirected to the payment gateway, and the confirmation of your payment will be sent to your email.
Cash on delivery – payment is made to the courier of the shipping company upon delivery, in accordance with the payment instructions.
Bank transfer – you will receive a pro forma invoice by email no later than the following business day. On this invoice, you will find the account number, which you will enter when making the payment.
On invoice – this payment option is available to partners who have a framework agreement signed with our company.
If you would like to use the last two payment methods, please call our manager and they will provide you with instructions on how to obtain an invoice with VAT or without VAT.
The electrical devices we supply meet high quality standards, include a 24‑month warranty, and comply with all EU requirements.In the case of a complaint/return, no fee is charged for returning the goods.